03s702钢筋混凝土化粪池图集
pdf高清电子版- 软件大小:12.3 MB
- 更新日期:2019-09-16
- 软件语言:简体中文
- 软件类别:电子文档
- 软件授权:免费软件
- 软件官网:未知
- 适用平台:WinXP, Win7, Win8, Win10, WinAll
- 软件厂商:
软件介绍人气软件相关文章网友评论下载地址
03s702化粪池图集是由中国航天建筑设计研究院编制的标准图集,通过这个标准图集就可以让建筑师在编辑图纸的时候获得更多参考数据,从而绘制出符合该标准的建筑图纸,如果你设计的图纸不符合标准就无法运用到施工项目,03s702钢筋混凝土化粪池图集内容丰富,打开就可以查看目录内容,通过目录就可以知道有哪些图纸,也可以通过图集查看1号~5号钢筋混凝土化粪池结构尺寸及所需构件一览表,从而在设计结构的时候有参考的标准!

基本介绍
化粪池图集适用于民用建筑和一般工业建筑生活污水的初步处理。包括化粪池的工艺图、结构尺寸表、所需构件表、材料表、盖板及井圈尺寸及其配筋等内容。有效容积:单池双格为20、4.0、6.0、9.0、12.0m3(沉井式有6?0、12?0m3);单池三格为160、200、250、300、400、500、750、1000m3(沉井式有200、300m3);双池三格为750m3、1000m3。池顶分有覆土和无覆土两种情况;池底上又分为有地下水和无地下水两种情况。
编制依据
根据建设部下达建质[2002]156号文关于印发ㄍ2002年国家建筑标准设计编制工作计划》的通知要求,对92S214(一)~(五)《钢筋混凝土化粪池》进行修编,增加沉井式钢筋混凝土化粪池(C1号~C4号)

目录内容
目录(一)~(六)
说明(一)、(二)
化粪池选用表(一)~(五)
1号~5号钢筋混凝土化粪池(无覆土)
1号~5号钢筋混凝土化粪池结构尺寸及所需构件一览表(一)
1号~5号钢筋混凝土化粪池结构尺寸及所需构件一览表(二)
1号~5号钢筋混凝土化粪池主要材料汇总表(一)
1号~5号钢筋混凝土化粪池主要材料汇总表(二)
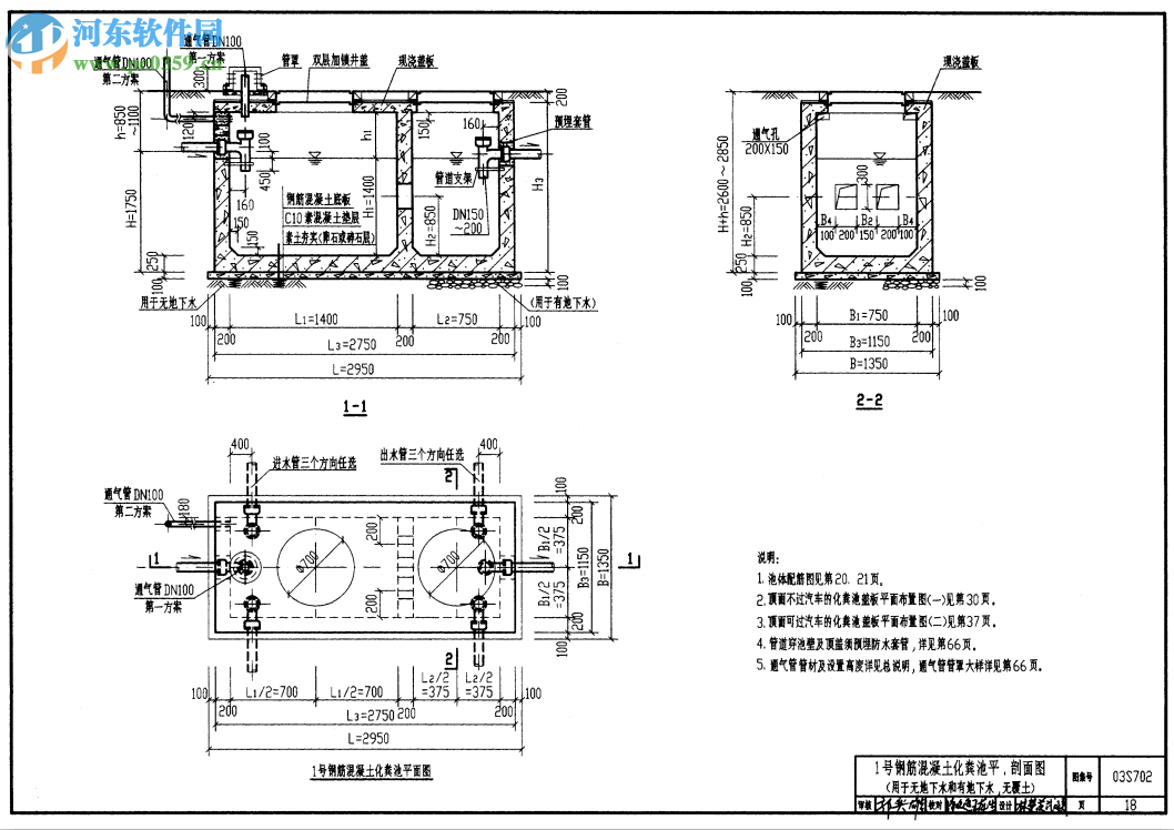
1号钢筋混凝土化粪池平、剖面图(用于无地下水和有地下水,无覆土)
2号~5号钢筋混凝土化粪池平、剖面图(用于无地下水和有地下水,无覆土)
1号钢筋混凝土化粪池配筋图(用于无地下水和有地下水,无覆土)
2号~5号钢筋混凝土化粪池配筋图(用于无地下水和有地下水,无覆土)
1号~3号钢筋混凝土化粪池钢筋表及材料表(用于无地下水,顶面不过汽车,无覆土)
4号,5号钢筋混凝土化粪池钢筋表及材料表(用于无地下水,顶面不过汽车,无覆土)
1号~3号钢筋混凝土化粪池钢筋表及材料表(用于无地下水,顶面可过汽车,无覆土)
4号,5号钢筋混凝土化粪池钢筋表及材料表(用于无地下水,顶面可过汽车,无覆土)
1号~3号钢筋混凝土化粪池钢筋表及材料表(用于有地下水,顶面不过汽车,无覆土)
4号,5号钢筋混凝土化粪池钢筋表及材料表(用于有地下水,顶面不过汽车,无覆土)
1号~3号钢筋混凝土化粪池钢筋表及材料表(用于有地下水,顶面不过汽车,无覆土)
4号,5号钢筋混凝土化粪池钢筋表及材料表(用于有地下水,顶面可过汽车,无覆土)
1号~5号钢筋混凝土化粪池盖板平面布置图(一)(顶面不过汽车,无覆土)
1号~5号钢筋混凝土化粪池预制盖板GB-(1~3)配筋图(无覆土)
1号钢筋混凝土化粪池现浇盖板XGB-1配筋图(无覆土)
2号~5号钢筋混凝土化粪池现浇盖板XGB-(2,4)配筋图(无覆土)
2号~5号钢筋混凝土化粪池现浇盖板XGB-(3,5)配筋图(无覆土)
2号~5号钢筋混凝土化粪池现浇盖板XGB-(2~5)钢筋表及材料表(无覆土)
2号~5号钢筋混凝土化粪池现浇盖板XGB-(6,7)配筋图(无覆土)
1号~5号钢筋混凝土化粪池盖板平面布置图(二)(顶面可过汽车,无覆土)
1号~5号钢筋混凝土化粪池预制盖板GB-(4~6)配筋图(无覆土)
1号钢筋混凝土化粪池现浇盖板XGB-8配筋图(无覆土)
2号~5号钢筋混凝土化粪池现浇盖板XGB-(9,11)配筋图(无覆土)
2号~5号钢筋混凝土化粪池现浇盖板XGB-(10,12)配筋图(无覆土)
2号~5号钢筋混凝土化粪池现浇盖板XGB-(9~12)钢筋表及材料表(无覆土)
2号~5号钢筋混凝土化粪池现浇盖板XGB-(13,14)配筋图(无覆土)
1号~5号钢筋混凝土化粪池(有覆土)
使用说明
1、打开03S702钢筋混凝土化粪池.pdf就可以查看里面的内容,PDF可以在WPS打开,也可以在Word打开

2、显示的内容如图所示,主界面显示目录内容,你可以通过目录查看该图集有哪些内容

3、图集内容还是非常多的,可以直接查看界面的目录图集内容,往下翻动就可以查看更多的内容

4、相关的设计方案可以在软件界面直接查看,显示很多图集内容,如果你看懂就下载吧

5、显示很多内容,查看1号钢筋混凝土化粪池配筋图,相关的编制说明以及参考的图集可以在软件查看

6、显示1号化粪池盖板平面布置图,2号化粪池盖板平面布置图,4号5号化粪池盖板平面布置图

7、图集的内容还是很多的,下方有很多图纸内容以及参数表查看,如果你需要设计化粪池就可以下载这款图集

设计依据
2.1《建筑给水排水设计规范》GB50015
2.2《混凝土结构设计规范》GB50010-2002
2.3《给水排水工程构筑物结构设计规范》GB50069-2002
2.4《混凝土结构工程施工质量验收规范》GB50204-2002
2.5《给水排水构筑物施工及验收规范》GB50141-2002
2.6《建筑地基基础设计规范》GB50007-2002
2.7《给水排水工程钢筋混凝土水池结构设计规程》>CECS138:2002
2.8《给水排水工程钢筋混凝土沉井结构设计规程》CECS137:2002
2.9《公路桥涵设计通用规范》JTJ021-85

适用范围
本图集适用于一般工业建筑和民用建筑生活污水的局部处理。
本图集如用于湿陷性黄土区,永久性冻土区,抗震设防烈度为九度的地重区或其他地质条件时,应根据有关规范的规定或专门研究处理。
工艺选用技术条件
1.化粪池的选用表给出了不同建筑物,不同用水量标准,不同的清周期,粪便污水与生活废水合流及粪便污水单独排入化粪池等情况下,计算的化粪池设计总人数,设计入员可以直接按表查出。如表内各项参数与具体工程设计参数不符时,由设计人员另作计算确定。
2.化粪池分无覆土和有覆土两种情况:2m3~50m3及沉井式化粪池6m~30m3按无覆土和有覆土两种情况设计,75m3100m3(单池及双池)均按有覆土设计。

下载地址
-
03s702钢筋混凝土化粪池图集 pdf高清电子版
其他版本下载
- 查看详情广联达钢筋翻样软件GFY2017 免费版36.2 MB简体中文17-07-10
- 查看详情飞时达土方计算软件下载32/64位 13.0 官方原版183 MB简体中文17-08-06
- 查看详情广联达bim钢筋算量软件ggj2013 免费版574 MB简体中文17-07-10
- 查看详情广联达简易钢筋翻样表 1.1.0.193 官方最新版29.1 MB简体中文17-07-07
- 查看详情品茗脚手架计算软件 2016 最新免费版179.48 MB简体中文16-11-05
- 查看详情众星建筑资源PC版 7.7 官方版48 MB简体中文18-03-09
- 查看详情suapp su2016 3.2.0.3 官方最新版2.91 MB简体中文16-10-27
- 查看详情众智日照64位版下载 11.0 免费中文版139 MB简体中文17-02-09
- 查看详情清华斯维尔2016下载(附安装使用教程) 官方最新免费版150.18 MB简体中文16-10-07
- 查看详情e钢筋翻样软件下载 0718 专业版11.9 MB简体中文17-07-06
人气软件

03s702钢筋混凝土化粪池图集12.3 MB
/简体中文
16g101-3图集45.9 MB
/简体中文
netty实战(带书签目录)12.9 MB
/简体中文
10s406建筑排水塑料管道安装图集3.6 MB
/简体中文
人月神话(32周年中文纪念版)30.3 MB
/简体中文
中国铁路地图下载1.21 MB
/简体中文
数据结构c++第3版(邓俊辉著)19.3 MB
/简体中文
java语言程序设计进阶篇原书第10版67.5 MB
/简体中文
python语言在abaqus中的应用35.1 MB
/简体中文
企业应用架构模式-[英]福勒著35.9 MB
/简体中文
相关文章
网友评论共0条

Wondershare MePub(EPUB电子书创建工具) 1.0.1 官方版







精彩评论